隨著現在設備的要求,很多時候蝸輪減速機都要配合設備有不同的安裝方式,有的會帶上扭力臂安裝,那么帶扭力臂安裝的話有什么優點呢?是什么樣子呢?有沒有圖紙?
帶扭力臂的蝸輪減速機具有以下優點:
增加支撐力:扭力臂的設計增加了蝸輪減速機的支撐力,使其能夠承受更大的負載和沖擊。
提高穩定性:由于支撐力的增加,蝸輪減速機的穩定性也相應提高,可以更好地適應各種工作環境。
增強剛性:扭力臂的設計增強了蝸輪減速機的剛性,使其在高速運轉時仍能保持穩定。
延長使用壽命:由于剛性和穩定性的提高,蝸輪減速機的使用壽命也相應延長。
簡化設計:對于某些需要使用蝸輪減速機作為傳動部件的設備來說,帶扭力臂的設計可以簡化整體設計,提高設備的可靠性。
總之,帶扭力臂的蝸輪減速機具有較好的支撐力、穩定性和剛性,能夠適應各種工作環境,延長設備使用壽命,同時簡化設計。
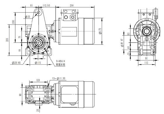
例:SJMRV075-1.5KW帶扭力臂蝸輪減速機尺寸圖紙
蝸輪減速機在選用時有多種安裝方式,所以大家在選用時都可按照需求來選擇。如有選型困難癥,這邊技術可聯系我司:尹工13262846677 / 盛工:18116258006.


